Kun olet valmis, GROHE EasyDock M -järjestelmän avulla kiinteämetallinen suihkupää voidaan helposti vetää sisään ja ohjata paikalleen tehokkaalla magneetilla. Tämä sekoitin on täydellinen valinta moderniin tai industrial-tyyliseen keittiöön dramaattisen tyylinsä ja huolellisesti harkittujen yksityiskohtiensa ansiosta, joita ovat letku, jota on saatavana useissa eri pintamateriaaleissa – mattapintainen Sheer Marble, mattapintainen tummanruskea ja mattapintainen tummanharmaa. Tämä monobloc-sekoitin käyttää SilkMove-teknologiaa, joka mahdollistaa veden virtauksen ja lämpötilan tasaisen ja tarkan hallinnan useiden tulevien vuosien ajan. Lisäksi se on helppo puhdistaa: GROHFlexx-silikoniletkut voi pyyhkiä puhtaaksi ja SpeedClean-silikonisuuttimista voi poistaa kalkin sormilla. GROHE StarLight -kromipinnoite on naarmuuntumaton ja säilyttää hohtavan ulkonäkönsä pitkään. GROHE Essence Professional tarjoaa maistiaisia ammattimaiseen suorituskykyyn omassa keittiössäsi.
Sarja :Grohe Essence
Materiaali :Messinki
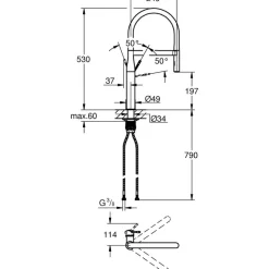
Korkeus :530 mm
Astianpesukoneliitäntä :Ei
pm_TechSpecSurfaceProtection :Kromattu
Väri :Kromi
Kahvojen määrä :1 st
EAN :4005176341472
Valmistaja :
Valmistajan osoite :
Ota yhteyttä valmistajaan :Tiedot puuttuvat, ota meihin yhteyttä saadaksesi lisätietoja















Arviot
Tuotearvioita ei vielä ole.