TR 612 Top3 -kellokytkimessä on 56 muistipaikkaa ja nollapistekytkentä relettä suojaavaan kytkentään ja suurille lamppukuormille (ei 24 V:n laitteissa). Maksimaalisesti suojattu väärinkäytöltä, sillä aikaohjelmat voidaan siirtää kelloon sovelluksesta vain, kun Bluetooth OBELISK top3 on liitettynä kelloon. TR 612 Top 3 on myös 100 % yhteensopiva Top2-sarjan kanssa. Eri maiden vaihtokytkentäsäännöt on jo tallennettu kelloon, mutta omat vaihtokytkentäsäännöt tai vaihtokytkentä kiinteän päivämäärän mukaisesti ovat valittavissa.
HUOMIO! Viestintämoduuli OBELISK Top 3 tilataan erikseen (tuote nro: 2816586).
Ominaisuudet
- Digitaalinen kellokytkin viikko-ohjelmalla
- Sovellusohjelmointi mahdollista
- Turvallinen tiedonsiirto Bluetooth Low Energy OBELISK Top3:lla
- Maksimaalisesti suojattu väärinkäytöltä, sillä aikaohjelmat voidaan siirtää kelloon sovelluksesta vain, kun Bluetooth OBELISK top3 on liitettynä kelloon
- 100 % yhteensopiva Top2:n kanssa
- DuoFix-jousiliittimet
- 2 johtimelle
- Yksilankainen tai monilankainen (johdon pääteholkilla tai ilman)
- Pistokkeen irrotuspainike
- Tekstipohjainen käyttäjän ohjaus näytöllä
- Päivämäärä ja kellonaika esiasetettu
- Kaikki toiminnot käytettävissä ilman verkkoliitäntää
- Liitäntä OBELISK top2 -muistikortille (PC-ohjelmointi)
- 2. kytkentäohjelma muistikortilta
- Ohjelmien kopiointi
- Ohjelman varmuuskopiointi
- 10 vuoden varakäynti (litiumakku)
- Nollapistekytkentä relettä suojaavaan kytkentään ja suurille lamppukuormille (ei 24 V:n laitteissa)
- PÄÄLLÄ-POIS-kytkentäajat
- Kytkennän esivalinta
- Jatkuvan toiminnan kytkentä PÄÄLLÄ/POIS
- Sisäänrakennettu käyttötuntilaskuri
- Nollausmahdollisuus
- Huoltotoiminto huoltoaikojen valvontaan
- Lomaohjelma
- Näytön valaistus (voidaan kytkeä pois)
- PIN-koodaus
- Automaattinen kesä- ja talviajan vaihto
- Voidaan ottaa pois käytöstä
- Vaihtokytkentäsäännöt Euroopalle, Yhdysvalloille ja muille maille on jo tallennettu
- Omat vaihtokytkentäsäännöt tai vaihtokytkentä kiinteän päivämäärän mukaisesti valittavissa
| Tekniset tiedot: | |
| Käyttöjännite | 230 V AC |
| Taajuus | 50–60 Hz |
| Langan läpimitta | 0,5–2,5 mm² |
| Ympäristön lämpötila | -30°C…55°C |
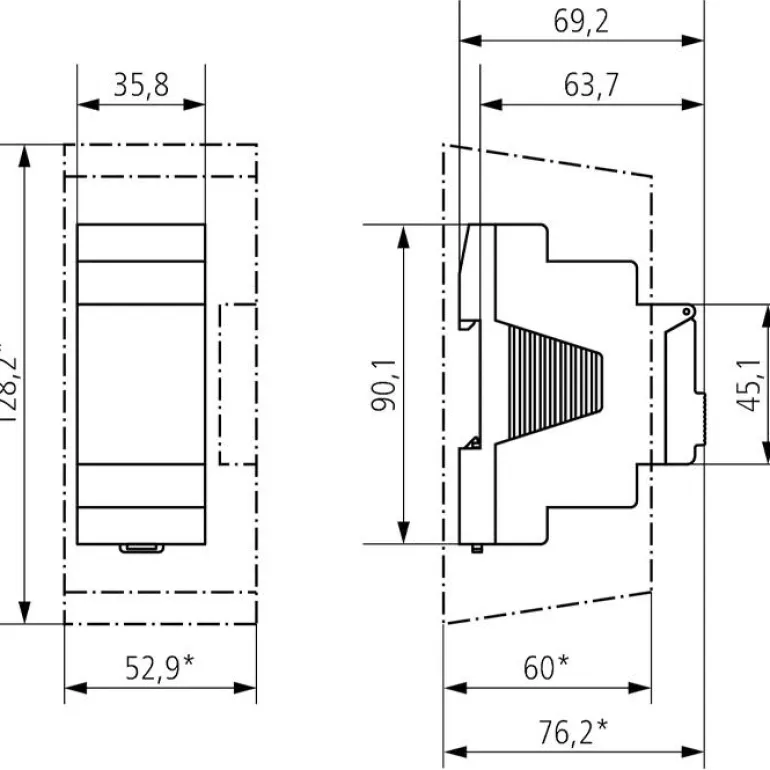
| Leveys | 2 moduulia |
| asennettava | DIN-kisko |
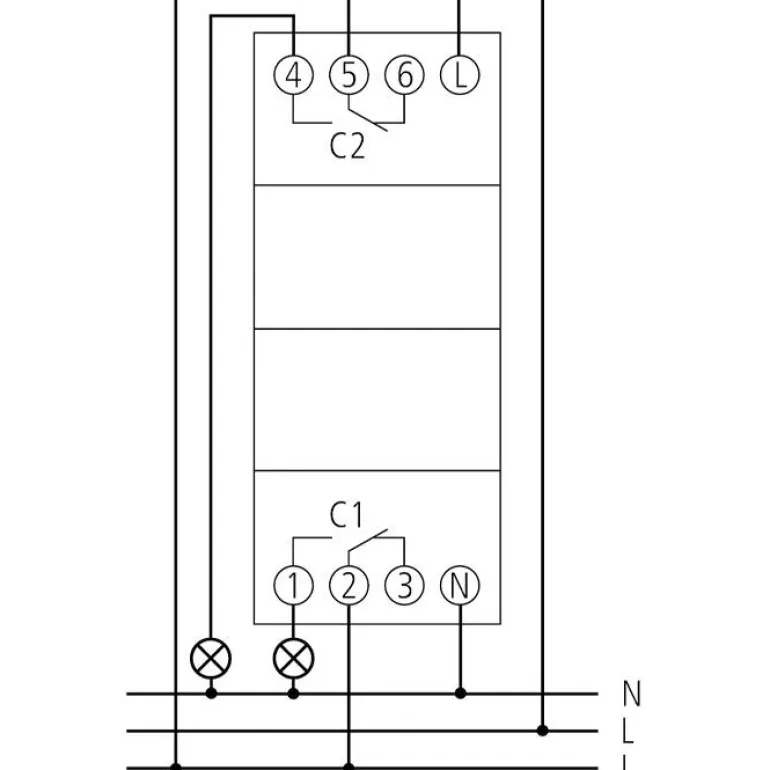
| Liitintyyppi | Vaihtokosketin |
| Kytkentälähtö | Vaiheesta riippumaton |
| Avautumisväli | < 3 mm |
| Ohjelma | Viikko-ohjelma |
| Ohjelmatoiminnot | PÄÄLLE-POIS |
| Kanavien lukumäärä | 2 |
| Tallennuspaikkojen lukumäärä | 56 |
| Tehoreservi | 10 vuosi |
| Kytkentäteho – 250 V AC, cos φ = 1 | 16 A |
| Kytkentäteho – 250 V AC, cos φ = 0,6 | 10 A |
| Hehku-/halogeenilamppukuorma | 2600 W |
| Pienloistelamppu | 1100 W |
| LED-lamppu < 2 W | 50 W |
| LED-lamppu 2–8 W | 600 W |
| LED-lamppu > 8 W | 600 W |
| Loistelamppukuorma (VVG), ei kompensoitu | 2600 VA |
| Loistelamppukuorma (VVG), sarjakompensoitu | 2600 VA |
| Loistelamppukuorma (VVG), rinnakkaiskompensoitu | 1300 VA 130 µF |
| Kytkentäteho min. | noin 10 mA |
| Lyhin kytkentäaika | 1 min |
| Käyntitarkkuus 25 °C:ssa | tyypillinen ± 0,25 s/päivä (kide) |
| Valmiustilan teho | ~0,4 W |
| Liitäntätyyppi | DuoFix-liittimet |
| Näyttö | Nestekidenäyttö |
| Kotelo- ja eristysmateriaali | Korkeita lämpötiloja kestävät, itsesammuvat kestomuovit |
| Suojatyyppi | IP20 |
| Suojausluokka | II standardin EN 60730-1 mukaan |
Asennustyyppi :Putki
Säädettävä aikaväli :Kyllä
Ohjaustoiminto :Paino
Virta :16 A
IP-luokka :IP20
EAN :4003468610305
Valmistaja :
Valmistajan osoite :
Ota yhteyttä valmistajaan :Tiedot puuttuvat, ota meihin yhteyttä saadaksesi lisätietoja














Arviot
Tuotearvioita ei vielä ole.